水
0℃~40℃
管道工程
FM-STQ 型水聽器使用說明
請仔細閱讀此說明,并按照說明書安裝與使用,特別是供電部分!
一、產品功能介紹
(1) 水聽器接收無指向性。水平無指向性,垂直平面 240"范圍內無指 向性。
(2)采用環保型透聲材料 PEEK,對使用環境零污染。
(3)在 20Hz-20kHz 頻段范圍內,接收靈敏度響應平坦。
(4)帶前放水聽器適于長距離信號傳輸。前置放大器將壓電元件的 高阻抗轉變為低阻抗,大大降低由于長電纜引起的耦合損失, 降低傳輸 過程中的電磁干擾。
(5) 前置放大器采用低功耗器件,工作電壓 2.2V-5VDc,典型功耗 0.25 毫瓦。
二、產品參數特性
(1)工作頻率范圍: 20Hz~20kHz;
(2)線性頻率范圍: 20Hz~20kHz;
(3)低頻接收靈敏度: - 170dB±1dB (含前放增益);
(4)水平指向性: ±2dB (20kHz);
(5)電纜長度 10 米;
(6)最大使用水深: 800 米;
(7)存儲溫度: -20℃~80 攝氏度;
(8)工作溫度: 0℃~40 攝氏度;
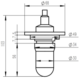
三、水聽器安裝說明
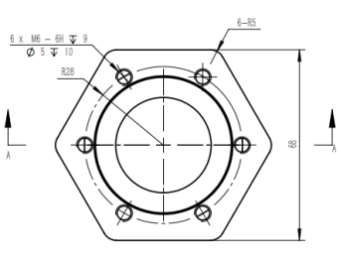
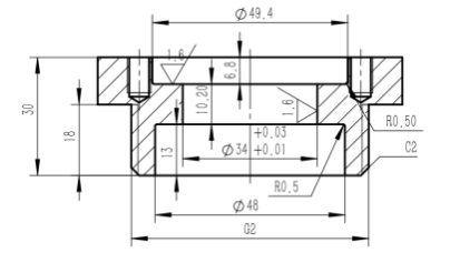
水聽器安裝說明: 水聽器裝配有不銹鋼安裝法蘭, 法蘭盤 6 個Φ 6.5 通孔均布,孔間距 56mm。水聽器密封使用徑向密封和縱向密封
共同密封, 配合安裝孔光潔度必須滿足密封要求,建議安裝孔配合尺 寸公差G8。密封圈需要在使用前再安裝,先在密封槽內均勻涂抹 4 號 真空密封脂,套上密封圈后在密封圈表面再涂一層真空密封脂后方可 使用。
安裝前安裝孔內部需清潔干凈,不能有雜物,然后在密封面均勻 涂上密封脂。裝入水聽器, 利用 6 個 M6 螺釘固定,就完成水聽器安裝。


下圖給出一種水聽器參考安裝結構配合件。


水聽器接線說明:紅線——+5VDc;黑線+屏蔽——公共地線;
黃線——信號輸出。 (因體積原因,前放無保護電路,加電前務必仔 細檢查電源的電壓和正負極性,正負極接反或電壓過高會燒壞前放,使用時務必注意!)

四、水聽器使用注意事項
為了方便您的使用,請注意以下事項:
1、水聽器頭部球形敏感元件為壓電陶瓷,屬于易碎物品,運輸或搬運中 需要對頭部進行保護,用海綿之類柔性物體包覆(使用中除去),使用過 程中輕拿輕放嚴禁高處掉落,以免損壞。
2、水聽器為帶前放水聽器, 前放位于距離水聽器 1.5 米的金屬腔內,必須加直流電才能工作。水聽器電纜長度為 10 米,前放無保護電路,加電前務必仔細檢查電源的電壓和正負極性, 正負極接反或電壓過高 會燒壞前放,使用時務必注意。
3、水聽器最大使用壓力為 6.8MPa,壓力超出最大值會使水聽器內部結 構受到破壞,影響水聽器性能,并危及系統的使用安全。
4、水聽器密封配合安裝孔光潔度必須滿足密封要求,安裝前安裝孔 內部需清潔干凈, 不能有雜物。密封槽內必須先均勻涂抹 4 號真空密 封脂,套上密封圈后在密封圈表面再涂一層真空密封脂后方可使用。